Product Overview & Material Specifications
Material Options
Premium Carbon Steel (Zinc/Nickel Plated) or Stainless Steel (SUS303 / SUS304) for superior durability and wear resistance.
Technical Standards
Designed with standard hex dimensions for universal tool compatibility; customizable shank lengths and offset distances available.
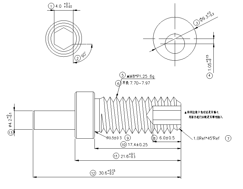
Precision Control
Eccentricity tolerance strictly controlled within 5° to ensure perfect alignment.
Technical Advantages & Engineering Design
We have re-engineered our eccentric rivets to address common field failures in large-scale glass door installations
High-Precision Concentricity for Seamless Assembly
Traditional eccentric rivets often suffer from poor concentricity, leading to assembly interference. By utilizing custom eccentric gauges and 2D vision inspection systems, we maintain a tolerance within 5°. This ensures a high degree of “fit” with the hinge base, eliminating installation stress caused by misalignment.
Full-Thread Technology for Secure Fastening
To prevent the common issue of loose fittings caused by incomplete threading, we have optimized our thread-rolling process. Our “Thread-to-Shank” design ensures no gaps remain after installation. Even under constant vibration from frequent door cycles, the fastener maintains its initial preload, eliminating safety hazards.
Standard Hex Drive for High Installation Efficiency
Every batch undergoes a Hex Go/No-Go Gauge Inspection. This guarantees that every rivet fits standard wrenches perfectly, preventing tool slippage and allowing for smooth, micro-adjustments in confined spaces
Industry Applications
Commercial Glass Door Systems
Optimized for securing and adjusting hinges in office buildings, luxury hotels, and high-end residential glass entrances.
Heavy-Duty Furniture Hardware
Ideal for any hinge mechanism requiring “eccentric displacement” for precise positioning.
High-Cycle Pivot Mechanisms
Engineered for connections subjected to frequent dynamic loads where long-term stability is non-negotiable.
